9/1監測報告「有點糟」卻照樣開挖 議員曝光對話紀錄 質疑基泰蓄意釀禍

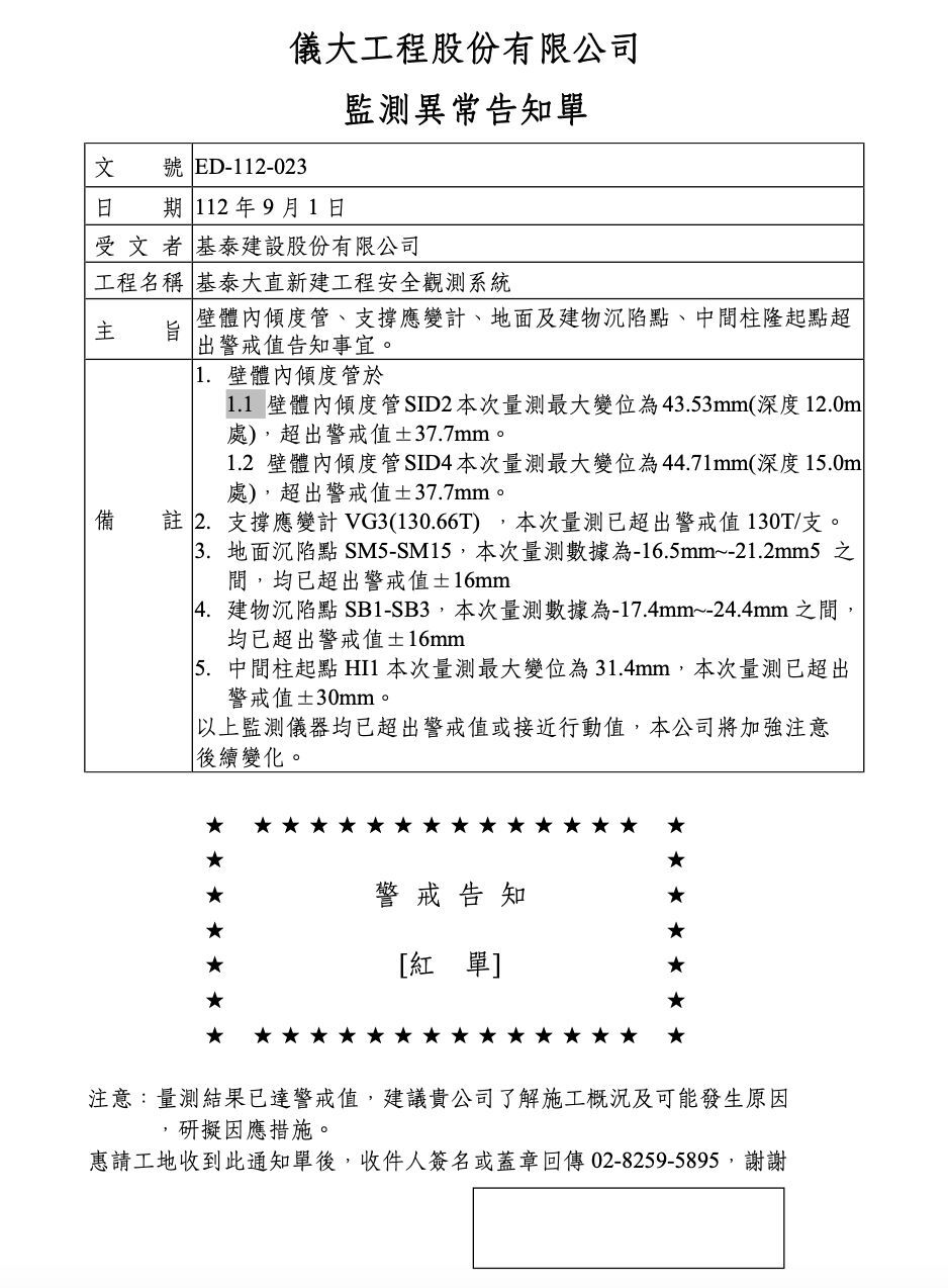
基泰建設位於北市的建案「基泰大直」因施工不慎,造成附近民宅傾斜下陷,基泰委託的儀大工程顧問公司在7月26日提供的監測報告上,顯示「部分監測儀器已超出警戒值」,基泰疑似知情,卻置之不理,9月照常大規模開挖,因此釀成工安意外。國民黨台北市議員柳采葳也控訴,儀大9月1日提供了「有點糟」的「監測異常告知單」給基泰大直建案的工地主任,內容載明5項數值超出警戒值,明知危險仍不作為,她呼籲基泰建設應出面說明清楚,勿撇清責任。
北市議員柳采葳今日表示,儀大工程公司提供的「監測異常報告書」清楚寫明多項數值都是超出警戒值,包含壁體內傾度管、支撐應變計、地面沉陷點、建物沉陷點等,也警告基泰應該要加強注意後續變化。事發當天的9月7日下午2點,「基泰大直」新建工程自動化監測系統也顯示數值有問題,甚至發出警告聲響,不管是自動化監測系統,又或者是儀大開出的警戒告知紅單,基泰都未見任何作為,讓她合理懷疑基泰根本是蓄意釀禍。

柳采葳掌握到儀大和「基泰大直」工地張姓主任的通訊軟體對話紀錄,8月開始儀大就頻繁傳監測報告給張主任,9月1日儀大傳監測報告給「基泰大直」時,明確指出這份報告「有點糟」,通完電話後,儀大還強調「我們老大說這個程序還是要走」。

對此,柳采葳懷疑,難道基泰是在通話當中拒絕了什麼監測,又或者是拒絕什麼程序?到了9月2日,張姓主任突要求「每日測量」,明顯知道工地有危險,但為什麼無作為?這些疑點,基泰建設都必須要說明清楚,勿撇清責任。

柳采葳強調,從報告到影片,以及對話紀錄,都足以證明「基泰大直」建案的張主任是明確知道工地的監測數值有問題,基泰必須說明清楚,這份報告到底有誰看過,為何在明知有問題的狀況之下卻沒有停工?她也呼籲,不要把所有責任推給工地主任,基泰高層必須親自出面說明疑點,同時要求市府應該即刻調查清楚真相,給大直受災戶一個交代。
延伸閱讀
- 議員指基泰大直連續壁厚度不足 北市:由公會鑑定2023/09/19
- 大直傾斜民宅安置 北市府:第一年租金補助已入帳2023/09/20
- 流竄天九牌賭場藏民宅 北市警強攻逮30人2023/09/17
- 基泰大直工地輕微下陷 北市:不影響附近道路鄰房2023/09/20
- 大直受災戶賠償金50萬 法務局:超過部分會協助核實2023/09/21
- 大直街民宅下陷開放第4輪取物 延長至1小時2023/09/17
- 大直下陷案 李四川:建物每天以萬分之6速度傾斜2023/09/21
- 大直案預防疏散戶 基泰:已可返家並配合需求修繕2023/09/21
- 大直街民宅陷落 李四川:重災戶家具擬賠50萬2023/09/17
- 大直民宅陷落住戶有家不敢回 蔣萬安允助爭權益2023/09/15
- 竹市驚傳天坑!憂大直翻版 市府開罰.勒令停工2023/09/21
- 基泰大直旁2棟民宅不堪使用 9/25起依法拆除2023/09/20








